
Innovation
As a team of proven innovators, with more than 30 assigned patents, we bring new ideas on the table and we push them into reality.
We believe that people make the difference. While raw creativity, engineering expertise and customer focus are unrelated, combining them in a person, or in a team, is what really pushes innovation forwards.
Let us help your company to generate innovative concepts, explore new technology, and bring those to the market. We can lead innovation events, workshops and implement an innovation process. Other companies can also do that, but we want to go further. We focus on your people, building the team, generate ideas, identify gaps and and close them to get real results.
Chassis system concepts and development
Our main field of activity is in advanced chassis engineering for the automotive industry. We have build up many years of in depth experience ranging from passive shock absorber development, over levelling systems, semi-active and full active suspension systems, up to full axle design.
vTRACK is a nice example of looking to the future of advanced chassis systems. It all started as a student project with the KULeuven looking for better urban mobility solutions, and evolved into a patented, highly innovative intelligent axle ideally suited for autonomous shuttles.

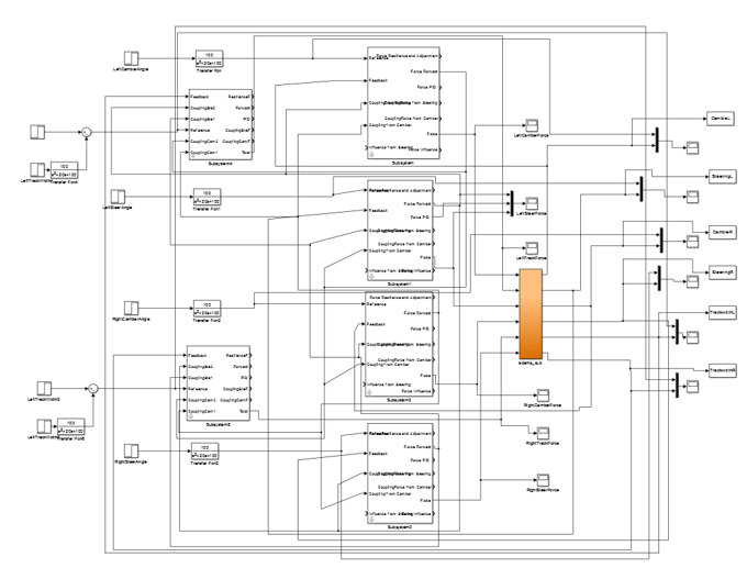
System design, simulation and validation
With more than 50 years of combined experience in control system development on the most advanced semi-active and full active suspension systems, REYCON provides an unique source of support to speed up your advanced chassis development and provide your end customer a both exciting and relaxing driving experience.

Strategy advice and innovation
With decades of experience working on the future of the advanced chassis, we have witnessed first hand the evolution and lately revolution in the global automotive industry. New markets emerge, society evolves fast. Some trends are clear now, like the need to reduce CO2 emissions. However, the rapid changes in how people live and what they value, combined with new technologies like AI, will have an even greater impact on the industry. MaaS (Mobility as a Service) as well as increasing global urbanisation are changing paradigms about the place of the vehicle in our lives.
Focusing on end customer value creation, we help to map out a combined short and long term strategy for your company or product line which rides the waves of change.
